Separador magnético permanente
Joroba magnética
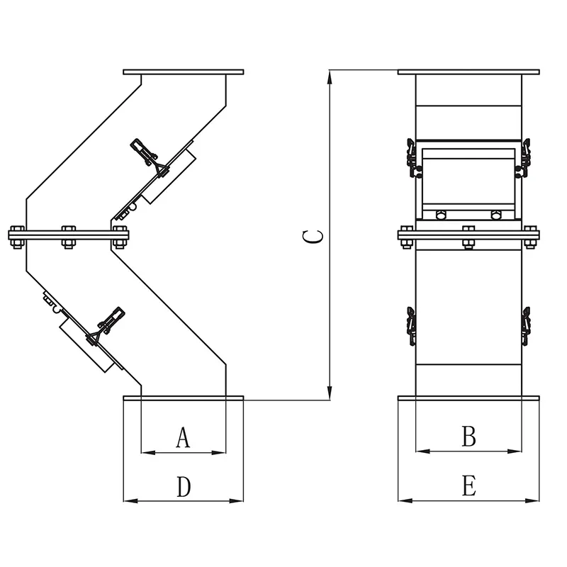
Separador de joroba magnético utilizado en una línea de producción cerrada para eliminar impurezas ferromagnéticas
Separador magnético permanente
Joroba magnética
Separador de joroba magnético utilizado en una línea de producción cerrada para eliminar impurezas ferromagnéticas
Utilizados en líneas de producción cerradas, las jorobas magnéticas eliminan eficazmente los contaminantes ferromagnéticos, como bloques de hierro, limaduras de hierro y otras partículas magnéticas de los materiales transportados por gravedad o sistemas de aire. Estos separadores magnéticos se utilizan ampliamente en industrias como el procesamiento de alimentos, los productos químicos y los materiales de construcción, donde es crucial mantener la calidad del producto y proteger el equipo de la contaminación.
Estas jorobas magnéticas garantizan la limpieza del material antes del almacenamiento o procesamiento posterior. También protegen los equipos posteriores de los posibles daños causados por la contaminación por metales ferrosos. Para aplicaciones con espacio limitado, se puede utilizar un separador magnético de media joroba, que ofrece una separación efectiva mientras se adapta a áreas restringidas de las líneas de producción.
| Modelo | Dimensiones (mm) | Peso (kg) | ||||
| B | A | C | E | D | ||
| | 150 | 120 | 470 | 170 | 200 | 14 |
| | 178 | 150 | 750 | 250 | 220 | 33 |
| | 178 | 200 | 750 | 300 | 220 | 44 |
| | 178 | 250 | 750 | 350 | 220 | 55 |
| | 178 | 300 | 750 | 400 | 220 | 66 |
| | 200 | 350 | 1110 | 450 | 300 | 128 |
| | 200 | 400 | 1110 | 500 | 300 | 146 |
| | 200 | 450 | 1110 | 550 | 300 | 164 |
| | 200 | 500 | 1110 | 600 | 300 | 182 |
- Los sistemas de placas magnéticas se utilizan para separar impurezas ferrosas, proporcionando una filtración confiable y eficiente.
- Los imanes de tierras raras o ferrita están disponibles según las necesidades del cliente, con la opción de utilizar acero inoxidable 304 o 316 para la carcasa del separador, lo que garantiza la durabilidad y la resistencia a la corrosión.
- Los diseños en ángulo ayudan a que los materiales entren en contacto directo con las placas magnéticas, evitando obstrucciones, puentes y mejorando la eficiencia de la separación al romper cualquier material compactado.
- La estructura simple del sistema permite una fácil instalación y limpieza, lo que hace que el mantenimiento sea sencillo.
- Los diseños personalizables de entrada y salida y otras especificaciones se pueden adaptar para cumplir con los requisitos operativos únicos.














