Separador magnético permanente
Imanes de bala / Torpedo magnético
Separador de balas magnético para eliminar la contaminación por metales ferrosos de los sistemas de transporte neumático o alimentados por gravedad
Separador magnético permanente
Imanes de bala / Torpedo magnético
Separador de balas magnético para eliminar la contaminación por metales ferrosos de los sistemas de transporte neumático o alimentados por gravedad
Los imanes de bala, o también llamados torpedo magnético, son ideales para capturar impurezas ferrosas, incluidas limaduras de hierro y partículas ferromagnéticas más grandes, de materiales secos transportados por gravedad o sistemas de transporte aéreo. Estos separadores magnéticos se usan comúnmente en industrias como la molienda de harina, el procesamiento de granos, la fabricación de plástico y el procesamiento de polvos de caolín o talco, donde es importante mantener la pureza del producto.
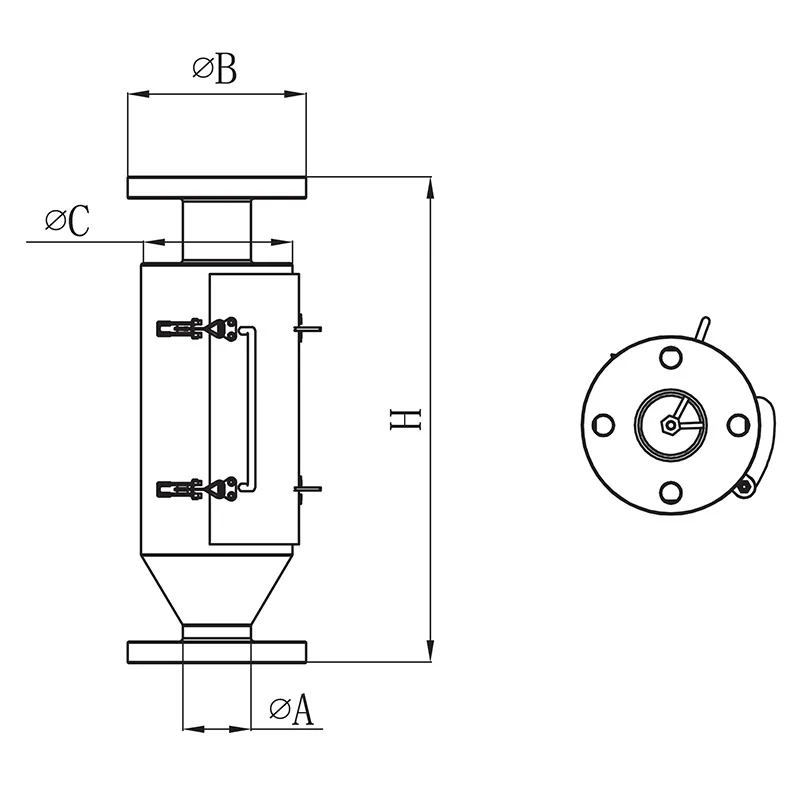
Cada imán de bala o torpedo magnético consta de un núcleo de imán cónico en forma de bala alojado en una carcasa de acero inoxidable, generalmente instalado en sistemas de tuberías de transporte. Estos separadores capturan eficazmente los contaminantes ferrosos, lo que garantiza la limpieza del material y protege los equipos posteriores de posibles daños.
| Modelo | Dimensiones (mm) | Peso (kg) | |||
| ØA | B | C | H | ||
| | 51 | 150 | 114 | 380 | 9 |
| | 76 | 185 | 168 | 540 | 20 |
| | 100 | 165 | 219 | 586 | 34 |
| | 150 | 225 | 273 | 655 | 48.5 |
| | 198 | 275 | 355 | 760 | 100 |
| | 248 | 325 | 426 | 850 | 121 |
| | 298 | 395 | 480 | 880 | 143 |
| | 395 | 480 | 610 | 1100 | 227 |
- El diseño de cono en forma de bala garantiza una interacción óptima entre el campo magnético y el flujo de material, lo que aumenta la eficiencia de separación.
- Las intensidades de campo magnético están disponibles desde 3,000 GS hasta 15,000 GS, lo que garantiza la eliminación efectiva de contaminantes ferromagnéticos.
- La limpieza es sencilla y rápida: suelte el pestillo, abra la puerta de acero inoxidable y limpie el núcleo magnético.
- Los diseños personalizados están disponibles para satisfacer las necesidades operativas específicas y los requisitos de materiales.














